全国空降24小时免费_全国24小时空降服务电话_全国空降快餐官方客服电话_全国空降24小时服务下载

在线咨询1
在线咨询2
设为首页 加入收藏
 干油润滑部分
单线式集中润滑系统介绍
双线式集中润滑系统介绍
电动润滑泵
 
手(脚)动润滑泵
 
加油泵
 
气动泵
 
双线分配器
 
单线分配器
 
压力操纵、控制、换向阀及其附件
 
 稀油润滑部分
稀油集中润滑系统设计介绍
稀油润滑装置及稀油站
 
高(低)压稀油站
 
稀油润滑元件
 
 管件部分
 
 油气润滑部分
油气润滑系统设计介绍
油气润滑系统的形式
 
油气润滑系统产品
 
 电气控制部分
 
 
DJB-H1.6型电动加油泵(4MPa)JB/T8811.1-1998

一、概述

适用于干油集中润滑系统中向电动润滑泵贮油桶内充填润滑脂的活塞式电动加油泵。该泵为内藏式柱塞容积泵,采用减速电机直接带动偏心轮回转,带动拉杆往复运动,实现吸压油功能,运转平稳,输出压力高,设有出口过滤装置。

二、技术参数

型号
公称压力MPa
加油量mL/每次
功率kW
贮油筒容积L
重量kg
DJB-H1.6
4
1.6
0.37
200
90
使用介质为锥入度220(25℃,150g)1/10mm的润滑脂和粘度等级大于N68的润滑油。
   
三、型号说明                 


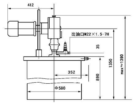
四、外形尺寸

五、工作原理
由水平安装的减速电机驱动偏心轮回转,带动滑块、拉杆上下往复运动,由活塞内部及管帽内单向阀的作用完成吸压油过程,经输油胶管向外送出。

六、使用说明
1、使用前先拧开壳体上方的油塞加入50号机械油至规定油标液位。
2、输送的介质必须干净,质地均匀,并在规定的牌号范围内。
3、应定期清洗出口处的过滤网。
4、不许在桶内无油的情况下空运转。
5、电机减速机初用三个月必须从排气塞孔补充适量的3#二硫化钼润滑脂,以后每隔四个月补充一次

七、订货须知
该泵可实现全自动控制,还可安装油位发讯装置,订货时必须在合同中另行注明。

Copyright © 2012 上海玖仟润滑设备有限公司 公司地址:上海市宝山区河曲路118号 办公地址:上海市宝山区殷高路16弄2号1003室
电话:021-35365056 35365057 传真:021-23025976 网址:79ys94.cn E-mail:shanghai9000@126.com
主站蜘蛛池模板: 茶陵县| 马公市| 瓮安县| 谷城县| 阿克陶县| 余姚市| 烟台市| 通州市| 泗洪县| 福贡县| 长岭县| 甘泉县| 彩票| 安西县| 永善县| 留坝县| 高陵县| 乐山市| 阿瓦提县| 耿马| 绍兴县| 茂名市| 连南| 巴林右旗| 托克逊县| 昂仁县| 康保县| 娄底市| 北票市| 英吉沙县| 聂拉木县| 柘城县| 昆山市| 宕昌县| 高台县| 枞阳县| 慈利县| 江达县| 论坛| 泾川县| 沅陵县|