全国空降24小时免费_全国24小时空降服务电话_全国空降快餐官方客服电话_全国空降24小时服务下载

在线咨询1
在线咨询2
设为首页 加入收藏
 干油润滑部分
单线式集中润滑系统介绍
双线式集中润滑系统介绍
电动润滑泵
 
手(脚)动润滑泵
 
加油泵
 
气动泵
 
双线分配器
 
单线分配器
 
压力操纵、控制、换向阀及其附件
 
 稀油润滑部分
稀油集中润滑系统设计介绍
稀油润滑装置及稀油站
 
高(低)压稀油站
 
稀油润滑元件
 
 管件部分
 
 油气润滑部分
油气润滑系统设计介绍
油气润滑系统的形式
 
油气润滑系统产品
 
 电气控制部分
 
 
SGQ 系列双线给油器(10MPa)

一、概述
SGQ系列双线给油器适用于公称压力为10MPa的双线式干油集中润滑系统中,作为一种计量给油装置。它在二条供油管交替的供油压力作用下,由供油压力推动活塞给油,完成向各润滑点定量分配润滑脂的功能。
SGQ双线给油器有单向出油和双向出油二种结构形式。单向出油的给油器只有下给油孔,活塞正反排油时都由下给油孔向润滑点供送润滑脂;双向出油的给油器有上、下给油孔,活塞正反向排油时由上下给油孔交替向润滑点供送润滑脂。给油器可以从指示杆的动作直接观察到给油器的工作情况,还可以通过调节螺丝在规定范围内方便地调整各给油口的给油量。

二、技术参数  
型 号
给油口数
公称压力MPa
每孔每次给油量L
L
B
H
h
L1
L2
A
A1
重量kg
min
max
SGQ-1
SGQ-11:21S
1
2
10
0.1
0.5
54
44
85
56
20
23
40
34
1.0
SGQ-21:41S
2
4
77
63
1.3
SGQ-31:61S
3
6
100
86
1.8
SGQ-41:81S
4
8
123
109
2.3
SGQ-2
SGQ-12:22S
1
2
0.5
2.0
55
47
99
62
20
25
41
40
1.1
SGQ-22:42S
2
4
80
66
1.7
SGQ-32:62S
3
6
105
91
2.2
SGQ-42:82S
4
8
130
116
2.8
SGQ-3
SGQ-13:23S
1
2
1.5
5.0
55
53
105
65
20
25
41
40
1.4
SGQ-23:43S
2
4
80
66
2.0
SGQ-33:63S
3
6
105
91
2.7
SGQ-43:83S
4
8
130
116
3.4
SGQ-4
SGQ-14:24S
1
2
3.0
10
58
57
123
77
20
30
44
52
1.8
SGQ-24:44S
2
4
88
74
2.9
SGQ-5
SGQ-15
1
6.0
20
88
57
123
77
50
-
74
52
2.9
使用介质为锥入度不低于265(25℃,150g)1/10mm的润滑脂(NLGI0#~2#),工作环境温度-10℃~80℃。
 
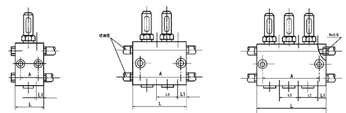
三、外形尺寸
SGQ-11 SGQ-21S
SGQ-12 SGQ-22S
SGQ-13 SGQ-23S
SGQ-14 SGQ-24S
SGQ-21 SGQ-41S
SGQ-22 SGQ-42S
SGQ-23 SGQ-43S
SGQ-24 SGQ-44S
SGQ-31 SGQ-61S
SGQ-32 SGQ-62S
SGQ-33 SGQ-63S
 
 
四、使用说明
1、必须在规定的环境下使用规定的介质。
2、在灰尘大、潮湿、环境恶劣的场合使用,应加配防尘罩。
3、给油器的两个进油口分别与两条供油管连接,且两侧是贯通的,某一侧的进油口不使用时应用R3/8螺塞封堵。
4、给油器在系统中优先采用并联安装法、供油管与分配器联接在左边或右边均可;其次采用串联安装法,最多串联个数不允许超过三个。
5、优先使用给油器衬板安装给油器,与给油器衬板接触的表面应光滑平整,安装螺栓不宜拧得过紧,以免变形太大影响正常工作。
6、给油量的调整为先旋出限位器上的锁紧螺丝,然后调节调整螺丝,可以根据润滑点的实际需要在最大和最小给油量的范围内调整给油量。调整应在指示杆缩回去的状态下进行,调整完毕后应将锁紧螺丝拧紧。
7、给油器活塞二端螺塞不许拆卸;有泄漏时拧紧螺塞或更换新的密封圈。
8、若机器润滑点数为奇数时,可将下部任一出油孔中的分隔部件拆除,然后用螺塞将上部出油孔堵塞,即可使用。
 
五、型号说明
 
六、常见故障处理
1、给油器不动作。
检查供油管有无压力油输送,卸荷油管是否畅通,润滑点是否被阻塞,给油器内是否进入杂质致使活塞孔拉毛等,查明排除后即可。
2、限位器指示杆处漏油。
拆下限位器体,检查密封圈是否使用时间过长或超过规定的使用环境温度,查明后更换密封圈。

七、订货须知
给油器安装使用环境温度>80℃的必须在订货合同中注明,以便供应耐高温密封圈。
 
Copyright © 2012 上海玖仟润滑设备有限公司 公司地址:上海市宝山区河曲路118号 办公地址:上海市宝山区殷高路16弄2号1003室
电话:021-35365056 35365057 传真:021-23025976 网址:79ys94.cn E-mail:shanghai9000@126.com
主站蜘蛛池模板: 天等县| 博罗县| 江阴市| 涪陵区| 锡林郭勒盟| 武宁县| 长丰县| 府谷县| 曲阜市| 五家渠市| 桂林市| 安多县| 闸北区| 乌鲁木齐县| 富源县| 库车县| 称多县| 吴旗县| 安远县| 南木林县| 安国市| 酒泉市| 临海市| 武鸣县| 台北市| 谢通门县| 盘锦市| 体育| 珠海市| 马山县| 荥阳市| 武平县| 上高县| 浑源县| 梓潼县| 长兴县| 织金县| 灵石县| 枣庄市| 陆良县| 文山县|