全国空降24小时免费_全国24小时空降服务电话_全国空降快餐官方客服电话_全国空降24小时服务下载

在线咨询1
在线咨询2
设为首页 加入收藏
 干油润滑部分
单线式集中润滑系统介绍
双线式集中润滑系统介绍
电动润滑泵
 
手(脚)动润滑泵
 
加油泵
 
气动泵
 
双线分配器
 
单线分配器
 
压力操纵、控制、换向阀及其附件
 
 稀油润滑部分
稀油集中润滑系统设计介绍
稀油润滑装置及稀油站
 
高(低)压稀油站
 
稀油润滑元件
 
 管件部分
 
 油气润滑部分
油气润滑系统设计介绍
油气润滑系统的形式
 
油气润滑系统产品
 
 电气控制部分
 
 
PF-200型干油喷射阀(10MPa)

一、使用条件
适用于冶金、矿山、水泥、化工、造纸等行业的大型开式齿轮(如球磨机、回转窑、挖掘机、高炉布料器等)以及钢丝绳,链条的润滑。它具有将润滑剂超越一定的空间,定向、定量且均匀地喷射到摩擦表面的特点。

二、技术参数

型 号
公称压力
MPa
喷 射
距 离
mm
喷 射
直 径
mm
最少油量
ml
最低压力
MPa
空 气
压 力
MPa
空 气
耗 量L/min
重量
kg
PF-200
10
200
120
1.5
1.5
0.5
380
0.7

使用介质为锥入度265~385(25℃,150g)1/10mm的润滑脂(NLGI0#-1#)或粘度等级大于N120的工业润滑油。

   
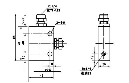
三、外形尺寸
 
 

四、使用说明

1、使用的润滑脂必须经过过滤,质地均匀,并在规定的锥入度和粘度等级范围内使用。
2、进气管路中必须设置气动三大件,保证空气洁净,干燥、衡压。
3、输剂管内不许进入空气,以免影响喷雾。

   
Copyright © 2012 上海玖仟润滑设备有限公司 公司地址:上海市宝山区河曲路118号 办公地址:上海市宝山区殷高路16弄2号1003室
电话:021-35365056 35365057 传真:021-23025976 网址:79ys94.cn E-mail:shanghai9000@126.com
主站蜘蛛池模板: 乐安县| 葵青区| 新疆| 南康市| 金溪县| 浙江省| 喀喇| 安多县| 西乌珠穆沁旗| 噶尔县| 龙里县| 调兵山市| 溧阳市| 维西| 常山县| 阿尔山市| 盐津县| 会宁县| 蚌埠市| 安宁市| 博罗县| 罗定市| 夏邑县| 宁陵县| 石楼县| 台中市| 如东县| 长治县| 万州区| 沭阳县| 龙州县| 河东区| 当阳市| 博白县| 呼伦贝尔市| 墨脱县| 蒲江县| 清远市| 汾阳市| 鄯善县| 吉木乃县|