全国空降24小时免费_全国24小时空降服务电话_全国空降快餐官方客服电话_全国空降24小时服务下载
在线咨询1
在线咨询2
设为首页
加入收藏
干油润滑部分
单线式集中润滑系统介绍
双线式集中润滑系统介绍
电动润滑泵
电动润滑泵
HB-P电动润滑泵
DRB-P电动润滑泵
ZPU型电动润滑泵
双列式电动润滑脂泵
DB-N单线润滑泵
DDRB-N型多点润滑泵
CDQ型电动润滑泵装置
DRB-L系列电动润滑泵
DRB-J系列电动润滑泵
DDB系列多点干油泵
DB、DBZ型单线干油泵
DXZ系列电动干油站
手(脚)动润滑泵
手(脚)动润滑泵
SRB手动润滑泵
SRB-J/L手动润滑泵
SGZ-8型手动润滑泵
SGZ-4/8F型手动润滑泵
KMPS单线手动润滑泵
JRB-3型脚踏润滑泵
加油泵
加油泵
DJB-F200电动加油泵
DJB-V70型电动加油泵
DJB-H1.6型电动加油泵
DJB-V400型电动加油泵
KGP型电动加油泵
SJB-V25型手动加油泵
SJB-D60型手动加油泵
气动泵
7786型气动润滑泵
AP-840B型气动补脂泵
双线分配器
双线分配器
SSPQ-P双线分配器
SDPQ-L双线分配器
VSKV-KR双线分配器
VSKH-KR双线分配器
SSPQ双线分配器
VSL-KR双线分配器
VSG-KR双线分配器
KS系列双线分配器
KW系列双线分配器
VS系列双线分配器
VW系列双线分配器
SGQ系列双线给油器
单线分配器
单线分配器
SSV单线递进式分配器
KJ单线递进式分配器
JPQS型递进式分配器
JPQ-K递进式分配器
JPQ递进式分配器
JPQ-L单进式分配器
FP、FPX单线分配器
PSQ型片式给油器
压力操纵、控制、换向阀及其附件
压力操纵、控制、换向阀
YCK-P5型压差开关
YKQ型压力指示器
YKQ-SB型终端式压力控制器
YKF-L型压力控制阀
YZF-L4型压力操纵阀
YZF-J4型压力操纵阀
24EJF-P型二位四通换向阀
EM型电动换向阀
DR4-5型液压自动换向阀
ZYP型二位四通液压换向阀
YHF型液压换向阀
DF型电磁换向阀
GGQ-P系列干油过滤器
GPF-8型干油喷射控制阀
GJQ型干油压力表减震器
GPZ-135型干油喷射阀
PF-200型干油喷射阀
AF-K10型安全阀
分配器罩
支架
稀油润滑部分
稀油集中润滑系统设计介绍
稀油润滑装置及稀油站
XHZ型稀油润滑装置
XYHZ型稀油润滑装置
XYZ-G型稀油站
XYZ-GZ型整体式稀油站
高(低)压稀油站
GXYZ型A系列
GXYZ型B系列
GDR型双高压系列
稀油润滑元件
WBZ型卧式齿轮油泵装置
LBZ型立式齿轮泵装置
SPL、DPL型网片式油滤器
SLQ型双筒网式过滤器
SWCQ型双筒网式磁芯过滤器
CLQ型磁过滤器
Y型系列过滤器
列管式冷却器
LQ系列列管式冷却器
LC系列列管式冷却器
SGLL型双联油冷却器
FL型空气冷却器
KL型空气冷却器
YZQ型油流指示器
YXQ型油流发讯器
GZQ型给油指示器
AF型安全阀
DXF型单向阀
管件部分
焊接式管接头
焊接式端直通圆锥管螺纹管接头
卡套式端直通管接头
卡套式直通管接头
卡套式端对接直通管接头
卡套式对接直通管接头
卡套式锥螺纹直通管接头
卡套式锥螺纹对接直通管接头
锥密封焊接式铰接管接头
锥密封焊接式管接头
扩口式端直通管接头
扩口式锥螺纹直通管接头
锥密封焊接式压力表管接头
铜管用管接头
钢管用螺纹连接接头
钢管用插入焊接式接头
焊接式接头
带阀接头
旋转接头
活接头
双向接头体
锥密封钢丝
其它管接件
高压胶管总成
A、B、C型扣压式胶管接头
A型可拆式胶管接头
管夹和管托架
塑料管夹
HZJ系列管夹
ZGJ系列座式管夹
油气润滑部分
油气润滑系统设计介绍
油气润滑系统的形式
单线二分式油气润滑系统
单线混分式油气润滑系统
单线—多区式油气润滑系统
单线卸压式油气润滑系统
双线式油气润滑系统
双线—递进式油气润滑系统
油气润滑系统产品
单线油—气供应站
ZRTYQZ-0.28/*型油气供应站
ZRWYQZ-*/*-B型油气供应站
双线油—气供应站
单线卸压式油—气供应站
SMX*-YQ型油—气分配混合器
QHQ-J型油—气分配混合器
ZRFLG*型油气分流器
ZRFLK*型油气分流器
YQWXZ-G型油气卫星站
AVE型油气分配混合器
DMM*-YQ型双线油气分配混合器
电气控制部分
GDK02型电气控制箱
GDK03型电气控制箱
DEA-2L型电气控制箱
DEA-2E型电气控制箱
R1902型电气控制箱
R1904型电气控制箱
SLQ型双筒网式过滤器(0.6MPa)JB2302-78
一、使用条件
本产品适用于公称压力为0.6MPa的稀油润滑系统中,具有清除润滑油中杂质使供给润滑点的油达到洁净的功能,小型的为整体式,较大的为组合式,分别由二组过滤筒和一个三位六通换向阀组成,工作时一筒工作,一筒备用,可实现不停车切换过滤筒,达到循环润滑系统不间断工作的目的。
二、技术参数
型
号
公称
通径
DN
mm
公称
压力
MPa
过滤
面积
m2
运 动 粘 度 cSt
重量
kg
28
46
67
89
326
过 滤 精 度 mm
0.08
0.12
0.08
0.12
0.08
0.12
0.08
0.12
0.08
0.12
过 滤 精 度 mm
SLQ-32
32
0.6
0.082
130
310
120
212
63
161
28.5
68.7
18.7
48.8
81.7
SLQ-40
40
0.21
330
790
305
540
160
384
72.3
175
48
125
115
SLQ-50
50
0.31
485
1160
447
793
250
565
106.5
256
69
160
203.8
SLQ-65
65
0.52
820
1960
760
1340
400
955
180
434
106
250
288
SLQ-80
80
0.833
1320
3100
1200
2150
630
1533
288
695
170
400
346
SLQ-100
100
1.31
1990
4750
1840
3230
1000
2310
436
1050
267
630
468
SLQ-125
125
2.20
3340
8000
3100
5420
1680
3890
730
1770
450
1000
1038.5
SLQ-150
150
3.30
5000
12000
4650
8130
2520
5840
1094
2660
679
1600
1185
条 件 粘 度 OE
4
6.3
9
12
44
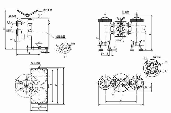
三、外形结构
SLQ-32,SLQ-40双筒网式过滤器(整体式) DN≥50的SLQ型双筒网式过滤器(组合式)
四、外形尺寸
型号
公称通径DN
A
B
B1
B2
C
d1
D3
D4
H
SLQ-32
32
140
250
186
154
344
G3/8"
-
-
145
SLQ-40
40
165
265
222
184
410
-
-
180
SLQ-50
50
190
165
-
-
693
G1/2"
330
280
355
SLQ-65
65
200
170
-
-
713
374
300
395
SLQ-80
80
220
202
-
-
830
G3/4"
374
320
500
SLQ-100
100
250
202
-
-
895
442
400
610
SLQ-125
125
260
240
-
-
1200
G1"
755
600
640
SLQ-150
150
300
240
-
-
1200
755
600
860
续上表
型号
H1
L
L1
h
时出油口连接法兰尺寸
D1
D2
b
d
n
SLQ-32
440
397
386
20
135
100
78
18
18
4
SLQ-40
515
480
447
145
110
85
SLQ-50
800
1023
-
160
125
100
20
SLQ-65
860
1097
-
180
145
120
SLQ-80
990
1202
-
195
160
135
22
8
SLQ-100
1190
1337
-
215
180
155
SLQ-125
1270
1955
-
30
245
210
185
24
SLQ-150
1530
1955
-
280
240
210
23
五、型号标注说明
六、工作原理
1、本型式过滤器由一六通换向阀及二组过滤装置组成,置于油泵出口及冷却器前端,正常工作时,一组过滤装置启用,另一组被换向阀封闭备用。
2、阀片式六通换向阀为手动,工作过程中,截止备用过滤装置连通工作中的过滤装置,阀上部有通、止标记,在工作压力≤6kgf/cm2可不停机换向。
3、过滤装置为二组,一组工作,一组备用。在工作中过滤装置需要维修清洗时,可启动另一组备用过滤装置投入工作,而不影响主机正常工作。
4、系统图
七、使用说明
1、当过滤器的进出口压力差≥0.5kgf/cm2时,说明过滤装置中的滤芯已被机械杂质阻塞,应及时清洗或更换滤芯,同时也应清洗筒体。
2、在正常工作时过滤器的进出口压差应≤0.035MPa。
八、订货须知
订货时必须注明所需的过滤精度值,不注明的均按0.12mm供货。
Copyright © 2012 上海玖仟润滑设备有限公司 公司地址:上海市宝山区河曲路118号 办公地址:上海市宝山区殷高路16弄2号1003室
电话:021-35365056 35365057 传真:021-23025976 网址:79ys94.cn E-mail:shanghai9000@126.com
主站蜘蛛池模板:
星子县
|
玛沁县
|
弥勒县
|
义马市
|
灵寿县
|
昌宁县
|
渭源县
|
门头沟区
|
卓尼县
|
昌邑市
|
八宿县
|
望都县
|
贵南县
|
静海县
|
伊宁市
|
阳泉市
|
江北区
|
蕉岭县
|
南投县
|
仁布县
|
政和县
|
新和县
|
牙克石市
|
蒙阴县
|
乌恰县
|
威信县
|
额尔古纳市
|
色达县
|
松江区
|
黄石市
|
江山市
|
宜兴市
|
昌江
|
仁化县
|
菏泽市
|
女性
|
乌拉特中旗
|
铁岭市
|
博白县
|
伊通
|
邻水
|