全国空降24小时免费_全国24小时空降服务电话_全国空降快餐官方客服电话_全国空降24小时服务下载
在线咨询1
在线咨询2
设为首页
加入收藏
干油润滑部分
单线式集中润滑系统介绍
双线式集中润滑系统介绍
电动润滑泵
电动润滑泵
HB-P电动润滑泵
DRB-P电动润滑泵
ZPU型电动润滑泵
双列式电动润滑脂泵
DB-N单线润滑泵
DDRB-N型多点润滑泵
CDQ型电动润滑泵装置
DRB-L系列电动润滑泵
DRB-J系列电动润滑泵
DDB系列多点干油泵
DB、DBZ型单线干油泵
DXZ系列电动干油站
手(脚)动润滑泵
手(脚)动润滑泵
SRB手动润滑泵
SRB-J/L手动润滑泵
SGZ-8型手动润滑泵
SGZ-4/8F型手动润滑泵
KMPS单线手动润滑泵
JRB-3型脚踏润滑泵
加油泵
加油泵
DJB-F200电动加油泵
DJB-V70型电动加油泵
DJB-H1.6型电动加油泵
DJB-V400型电动加油泵
KGP型电动加油泵
SJB-V25型手动加油泵
SJB-D60型手动加油泵
气动泵
7786型气动润滑泵
AP-840B型气动补脂泵
双线分配器
双线分配器
SSPQ-P双线分配器
SDPQ-L双线分配器
VSKV-KR双线分配器
VSKH-KR双线分配器
SSPQ双线分配器
VSL-KR双线分配器
VSG-KR双线分配器
KS系列双线分配器
KW系列双线分配器
VS系列双线分配器
VW系列双线分配器
SGQ系列双线给油器
单线分配器
单线分配器
SSV单线递进式分配器
KJ单线递进式分配器
JPQS型递进式分配器
JPQ-K递进式分配器
JPQ递进式分配器
JPQ-L单进式分配器
FP、FPX单线分配器
PSQ型片式给油器
压力操纵、控制、换向阀及其附件
压力操纵、控制、换向阀
YCK-P5型压差开关
YKQ型压力指示器
YKQ-SB型终端式压力控制器
YKF-L型压力控制阀
YZF-L4型压力操纵阀
YZF-J4型压力操纵阀
24EJF-P型二位四通换向阀
EM型电动换向阀
DR4-5型液压自动换向阀
ZYP型二位四通液压换向阀
YHF型液压换向阀
DF型电磁换向阀
GGQ-P系列干油过滤器
GPF-8型干油喷射控制阀
GJQ型干油压力表减震器
GPZ-135型干油喷射阀
PF-200型干油喷射阀
AF-K10型安全阀
分配器罩
支架
稀油润滑部分
稀油集中润滑系统设计介绍
稀油润滑装置及稀油站
XHZ型稀油润滑装置
XYHZ型稀油润滑装置
XYZ-G型稀油站
XYZ-GZ型整体式稀油站
高(低)压稀油站
GXYZ型A系列
GXYZ型B系列
GDR型双高压系列
稀油润滑元件
WBZ型卧式齿轮油泵装置
LBZ型立式齿轮泵装置
SPL、DPL型网片式油滤器
SLQ型双筒网式过滤器
SWCQ型双筒网式磁芯过滤器
CLQ型磁过滤器
Y型系列过滤器
列管式冷却器
LQ系列列管式冷却器
LC系列列管式冷却器
SGLL型双联油冷却器
FL型空气冷却器
KL型空气冷却器
YZQ型油流指示器
YXQ型油流发讯器
GZQ型给油指示器
AF型安全阀
DXF型单向阀
管件部分
焊接式管接头
焊接式端直通圆锥管螺纹管接头
卡套式端直通管接头
卡套式直通管接头
卡套式端对接直通管接头
卡套式对接直通管接头
卡套式锥螺纹直通管接头
卡套式锥螺纹对接直通管接头
锥密封焊接式铰接管接头
锥密封焊接式管接头
扩口式端直通管接头
扩口式锥螺纹直通管接头
锥密封焊接式压力表管接头
铜管用管接头
钢管用螺纹连接接头
钢管用插入焊接式接头
焊接式接头
带阀接头
旋转接头
活接头
双向接头体
锥密封钢丝
其它管接件
高压胶管总成
A、B、C型扣压式胶管接头
A型可拆式胶管接头
管夹和管托架
塑料管夹
HZJ系列管夹
ZGJ系列座式管夹
油气润滑部分
油气润滑系统设计介绍
油气润滑系统的形式
单线二分式油气润滑系统
单线混分式油气润滑系统
单线—多区式油气润滑系统
单线卸压式油气润滑系统
双线式油气润滑系统
双线—递进式油气润滑系统
油气润滑系统产品
单线油—气供应站
ZRTYQZ-0.28/*型油气供应站
ZRWYQZ-*/*-B型油气供应站
双线油—气供应站
单线卸压式油—气供应站
SMX*-YQ型油—气分配混合器
QHQ-J型油—气分配混合器
ZRFLG*型油气分流器
ZRFLK*型油气分流器
YQWXZ-G型油气卫星站
AVE型油气分配混合器
DMM*-YQ型双线油气分配混合器
电气控制部分
GDK02型电气控制箱
GDK03型电气控制箱
DEA-2L型电气控制箱
DEA-2E型电气控制箱
R1902型电气控制箱
R1904型电气控制箱
LQ系列列管式冷却器(1.0~1.6MPa)
一、使用条件
与GLLQ型列管式冷却器相似,产品适用于冶金、矿山、轻工、电力、化工等工业部门的液压与润滑装置,将热工作油冷却到要求的温度;冷却器的设计最高温度为100℃~120℃,工作压力≤1.6MPa,传热系数为348~407w/m2.k,(若采用翅片管换热,则传热系数为523~580W/m2·k,但允许介质粘度为10~50cSt)。下面列出的LQ型冷却器则规定介质粘度为10~326cSt,主要技术参数如下表:
二、型号含义
三、技术参数
型号
2LQFW\2LQFL
2LQF1W
2LQGW
换热面积m2
0.5~16
19~290
0.22~11.45
传热系数w/m2.k
348~407
使用温度℃
≤100
≤120
工作介质压力MPa
≤1.6
≤1.0
≤1.6
冷却介质压力MPa
≤0.8
≤0.5
≤1.0
油侧压力降MPa
≤0.1
介质粘度cSt
10~326
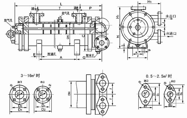
四、外形结构及尺寸
2LQFW 型冷却器外形尺寸图
冷却面积0.5~2.5m2时进出水口型式;
3~16m2时为上图
2LQFW 型冷却器外形尺寸
型号
A0.5F
A0.65F
A0.8F
A1.0F
A1.2F
A1.46F
A1.7F
A2.1F
A2.5F
A3.0F
A3.6F
A4.3F
A5.0F
A6.0F
A7.2F
A8.5F
A10F
A12F
A14F
A16F
换热面积m2
0.5
0.65
0.8
1.0
1.2
1.46
1.7
2.1
2.5
3.0
3.6
4.3
5.0
6.0
7.2
8.5
10
12
14
16
底
部
尺
寸
A
K
h
E
F
d5
345
90
5
40
140
11
470
90
5
40
140
11
595
90
5
40
140
11
440
104
5
45
160
11
565
104
5
45
160
14
690
104
5
45
160
14
460
120
5
50
180
14
610
120
5
50
180
14
760
120
5
50
180
14
540
140
5
55
210
14
665
140
5
55
210
14
815
140
5
55
210
14
540
170
5
60
250
14
690
170
5
60
250
14
865
170
5
60
250
14
575
230
6
65
320
18
700
230
6
65
320
18
875
230
6
65
320
18
875
230
5
65
320
18
875
230
5
65
320
18
筒
部
尺
寸
DN
H
J
H1
114
115
42
95
114
115
42
95
114
115
42
95
150
140
47
115
150
140
47
115
150
140
47
115
186
165
52
140
186
165
52
140
186
165
52
140
219
200
85
200
219
200
85
200
219
200
85
200
245
240
95
240
245
240
95
240
245
240
95
240
325
280
105
280
325
280
105
280
325
280
105
280
325
280
105
280
325
280
105
280
L
G
P
T
C
545
100
93
357
186
670
100
96
482
186
790
100
93
607
186
680
115
105
460
220
805
115
105
585
220
930
115
105
710
220
740
140
120
500
270
890
140
120
650
270
1040
140
120
800
270
870
175
170
565
308
995
175
170
690
308
1145
175
170
840
308
920
205
190
570
340
1070
205
190
720
340
1245
205
190
895
340
1000
220
210
590
406
1125
220
210
715
406
1300
220
210
890
406
1300
220
210
890
406
1547
220
210
890
406
法兰尺寸
椭圆法兰
圆形法兰
法兰连接
油
d1
D1
B1
D3
d3
25
90
64
65
11
25
90
64
65
11
25
90
64
65
11
32
100
72
75
11
32
100
72
75
11
32
100
72
75
11
40
118
85
90
14
40
118
85
90
14
40
118
85
90
14
50
160
/
125
18
50
160
/
125
18
50
160
/
125
18
65
180
/
145
18
65
180
/
145
18
65
180
/
145
18
80
195
/
160
8×Φ18
80
195
/
160
8×Φ18
80
195
/
160
8×Φ18
80
195
/
160
8×Φ18
80
195
/
160
8×Φ18
水
d2
D2
B2
D4
d4
20
80
45
55
11
20
80
45
55
11
20
80
45
55
11
25
90
64
65
11
25
90
64
65
11
25
90
64
65
11
32
100
72
75
11
32
100
72
75
11
32
100
72
75
11
40
145
/
110
18
40
145
/
110
18
40
145
/
110
18
50
160
/
125
18
50
160
/
125
18
50
160
/
125
18
65
180
/
145
18
65
180
/
145
18
65
180
/
145
18
65
180
/
145
18
65
180
/
145
18
重量
kg
30
33
36
47
51
54
60
70
76
110
119
130
145
161
176
215
231
250
260
270
>> 下一页
Copyright © 2012 上海玖仟润滑设备有限公司 公司地址:上海市宝山区河曲路118号 办公地址:上海市宝山区殷高路16弄2号1003室
电话:021-35365056 35365057 传真:021-23025976 网址:79ys94.cn E-mail:shanghai9000@126.com
主站蜘蛛池模板:
安仁县
|
济南市
|
内江市
|
乌兰浩特市
|
竹山县
|
海阳市
|
凭祥市
|
海安县
|
荔波县
|
康平县
|
靖远县
|
深圳市
|
沁源县
|
永丰县
|
大理市
|
安泽县
|
兴城市
|
清徐县
|
长丰县
|
启东市
|
镶黄旗
|
拜城县
|
德昌县
|
增城市
|
大悟县
|
清苑县
|
荆州市
|
定日县
|
会理县
|
兰坪
|
吕梁市
|
清水河县
|
雅安市
|
永嘉县
|
平山县
|
景洪市
|
黄平县
|
尖扎县
|
永州市
|
丹江口市
|
溆浦县
|