全国空降24小时免费_全国24小时空降服务电话_全国空降快餐官方客服电话_全国空降24小时服务下载

ÔÚÏß×Éѯ1
ÔÚÏß×Éѯ2
ÉèΪÊ×Ò³ ¼ÓÈëÊÕ²Ø
¡¡¸ÉÓÍÈ󻬲¿·Ö
µ¥Ïßʽ¼¯ÖÐÈó»¬ÏµÍ³½éÉÜ
Ë«Ïßʽ¼¯ÖÐÈó»¬ÏµÍ³½éÉÜ
µç¶¯È󻬱Ã
 
ÊÖ(½Å)¶¯È󻬱Ã
 
¼ÓÓͱÃ
 
Æø¶¯±Ã
 
Ë«Ïß·ÖÅäÆ÷
 
µ¥Ïß·ÖÅäÆ÷
 
ѹÁ¦²Ù×Ý¡¢¿ØÖÆ¡¢»»Ïò·§¼°Æä¸½¼þ
 
¡¡Ï¡ÓÍÈ󻬲¿·Ö
Ï¡Óͼ¯ÖÐÈó»¬ÏµÍ³Éè¼Æ½éÉÜ
Ï¡ÓÍÈó»¬×°Öü°Ï¡ÓÍÕ¾
 
¸ß£¨µÍ£©Ñ¹Ï¡ÓÍÕ¾
 
Ï¡ÓÍÈó»¬Ôª¼þ
 
¡¡¹Ü¼þ²¿·Ö
 
¡¡ÓÍÆøÈ󻬲¿·Ö
ÓÍÆøÈó»¬ÏµÍ³Éè¼Æ½éÉÜ
ÓÍÆøÈó»¬ÏµÍ³µÄÐÎʽ
 
ÓÍÆøÈó»¬ÏµÍ³²úÆ·
 
¡¡µçÆø¿ØÖƲ¿·Ö
 
 
YXQÐÍÓÍÁ÷·¢Ñ¶Æ÷(0.4MPa)JB/ZQ4596-97

Ò»¡¢Ê¹ÓÃÌõ¼þ


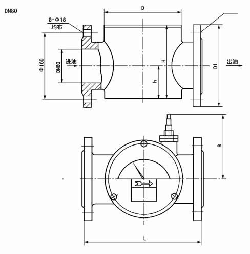
¡¡¡¡YXQÐÍÓÍÁ÷·¢Ñ¶Æ÷ÓÃÓÚÏ¡ÓÍÈó»¬ÏµÍ³¡£Í¨¹ýËü¿ÉÖ±¹ÛµØ¹Û²ìµ½ÓÍÁ÷Á÷¶¯×´¿ö²¢¿Éͨ¹ýÆä·¢Ñ¶×°Ö÷¢³öÓÍÁ¿²»×ã»ò¶ÏÁ÷ÐźÅ£¬´Ó¶øÊµÏÖÔ¶¾àÀë¼àÊÓ»ò¿ØÖÆ£¬ÊÊÓýéÖÊΪճ¶ÈµÈ¼¶N22¡«N460µÄÈó»¬ÓÍ¡£
¡¡¡¡Í¨¾¶DN10¡«50ΪÂÝÎÆÁ¬½Ó£¬DN80Ϊ·¨À¼Á¬½Ó¡£¹«³ÆÑ¹Á¦Îª0.4MPa
¶þ¡¢¼¼Êõ²ÎÊý
ÐͺÅ
¹«³ÆÍ¨¾¶
DN
¹«³ÆÑ¹Á¦
MPa
Á¬½ÓÂÝÎÆ
d
L
D
H
h
B
D1
S
ÖØÁ¿
kg
YXQ-10
10
0.4
G3/8"
136
80
71
30
75
47.3
41
2.1
YXQ-15
15
0.4
G1/2"
136
80
71
30
75
47.3
41
2.1
YXQ-20
20
0.4
G3/4"
136
80
71
30
75
52
47
3.5
YXQ-25
25
0.4
G1"
160
100
96
35
85
60
52
3.8
YXQ-32
32
0.4
G1 1/4"
160
100
101
40
85
66
58
4.2
YXQ-40
40
0.4
G1 1/2"
190
110
101
45
90
76
66
4.5
YXQ-50
50
0.4
G2"
200
110
112
50
90
92
80
4.8
YXQ-80
80
0.4
·¨À¼DN80
200
170
190
80
¡«140
¦µ200
¦µ200
¡«9.8
Èý¡¢ÍâÐγߴç
ËÄ¡¢ÐͺÅ˵Ã÷
Îå¡¢µçÆø²ÎÊý
ͨ¾¶
²ÎÊý
DN10¡«50¡¢80
¿ª¹ØÐÍʽ
½»Á÷¶þÏßÖÆ90¡«250V
Ö±Á÷¶þÏßÖÆ10¡«30V
Ö±Á÷ÈýÏßÖÆ6¡«30V(NPNÐÍ)
Ö±Á÷ÈýÏßÖÆ6¡«30V(PNPÐÍ)
Ó¦Óó¡ºÏ
´ø¶¯½»Á÷ÏßȦ¡¢½»Á÷ÐźŵƵÈ
´ø¶¯Ö±Á÷ÏßȦ¡¢Ö±Á÷ÐźŵƵÈ
ÊäÈëPLC(ÊäÈëÄ£¿éΪNPNÐÍ)
ÊäÈëPLC(ÊäÈëÄ£¿éΪPNPÐÍ)
Êä³öÐÎʽ
³£¿ª
³£¿ª
³£¿ª
³£¿ª
Êä³öµçÁ÷
3¡«100mA
5¡«40mA
0¡«200mA
0¡«200mA
©µçÁ÷
1r¡Ü2mA
1r¡Ü0.8mA
1r¡Ü0.4mA
1r¡Ü0.4mA
¿ª¹ØÑ¹½µ
Ud¡Ü3V
Ud¡Ü3V
Ud¡Ü0.1Vcc
Ud¡Ü0.1Vcc
½ÓÏßͼ
Áù¡¢Ê¹ÓÃ×¢ÒâÊÂÏî
¡¡¡¡1¡¢ÓÍÁ÷·½ÏòÓëÓÍÁ÷·¢Ñ¶Æ÷ָʾ·½ÏòÓ¦Ïàͬ¡£
¡¡¡¡2¡¢¿ª¹Ø±ØÐëͨ¹ý¸ºÔغóÔÙ½ÓÖÁµçÔ´£¬ÒÔÃâÔì³É¿ª¹ØË𻵡£
¡¡¡¡3¡¢Êä³öÐÎʽÈçÐè³£±Õ»òÊä³öµçÁ÷ÓÐÌØÊâÒªÇóÔÚ¶©»õʱӦעÃ÷£»Èô²»×¢Ã÷½Ó½ü¿ª¹ØÐÍʽ£¬ÔòÅäÖÃPNPÐÍÖ±Á÷ÈýÏßÐÍ¡£
Copyright © 2012 ÉϺ£¾ÁǪÈó»¬É豸ÓÐÏÞ¹«Ë¾ ¹«Ë¾µØÖ·£ºÉϺ£Êб¦É½ÇøºÓÇú·118ºÅ °ì¹«µØÖ·£ºÉϺ£Êб¦É½ÇøÒó¸ß·16Ū2ºÅ1003ÊÒ
µç»°£º021-35365056 35365057 ´«Õ棺021-23025976 ÍøÖ·£º79ys94.cn E-mail£ºshanghai9000@126.com
Ö÷Õ¾Ö©Öë³ØÄ£°å£º ²©ÀÖÊÐ| ÑγØÏØ| ÒË»ÆÏØ| ÍͲýÏØ| ÎÂÈªÏØ| Ë·ÖÝÊÐ| ¶«Ý¸ÊÐ| ³þÐÛÊÐ| ÎÚÀ­ÌØÇ°Æì| °¢Â³¿Æ¶ûÇ߯ì| ºôÂ×±´¶ûÊÐ| ÌìÌ¨ÏØ| ÓÀ¼ªÏØ| ¡°²ÏØ| ɽ¶«Ê¡| ÑïÖÝÊÐ| À¼ÏªÊÐ| ¸·ÐÂÊÐ| ÁúÁêÏØ| ÎÚËÕÊÐ| ТÒåÊÐ| ¸ß¶û·ò| ÐÂÓàÊÐ| ÓÀÉÆÏØ| ÒËÕÂÏØ| ãëÉÏÏØ| á¯ÏªÊÐ| ÏÃÃÅÊÐ| À´°²ÏØ| ¶¨ÌÕÏØ| ˫ѼɽÊÐ| ͼƬ| ±Ï½ÚÊÐ| ³¤Ë³ÏØ| ÍòÈÙÏØ| ºâÑôÊÐ| ïÃûÊÐ| Îâ±¤ÏØ| ¼Ó²éÏØ| Î×ÏªÏØ| ÍòÔØÏØ|